КАРВИЛЬШОП — фирменный магазин
брендов
LUZAR, TRIALLI, STARTVOLT, AIRLINE и CARVILLE RACING
КАРВИЛЬШОП

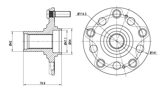
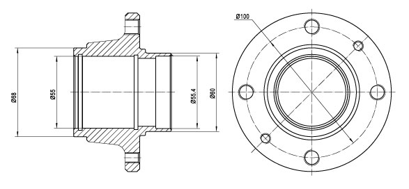
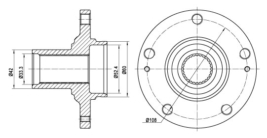
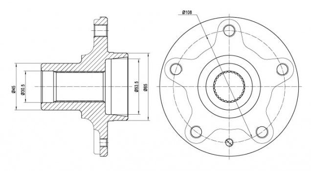
Ступицы

Всего товаров: 490
Разболтовка (pcd)
Показать все
Количество креп. отверстий
Внешний диаметр, мм
Показать все
Внутренний диаметр, мм
Показать все
Количество зубьев
Показать все
Количество зубьев abs
Материал
Сторона установки
Показать все
Высота, мм
до
Особенности конструкции
Показать по:
70013

Почему выбирают ступицы TRIALLI ?

Калибровка и контроль геометрии обойм подшипника
Продуманная комплектация ремонтных комплектов
Дополнительные укрепления дорожек качения
Использование высококачественных легированных сталей
Строгий контроль количества 
и качества смазки
Современное испытательное оборудование