Глушитель для автомобилей Hyundai Accent (00-) основной (алюминизированная сталь)
Характеристики
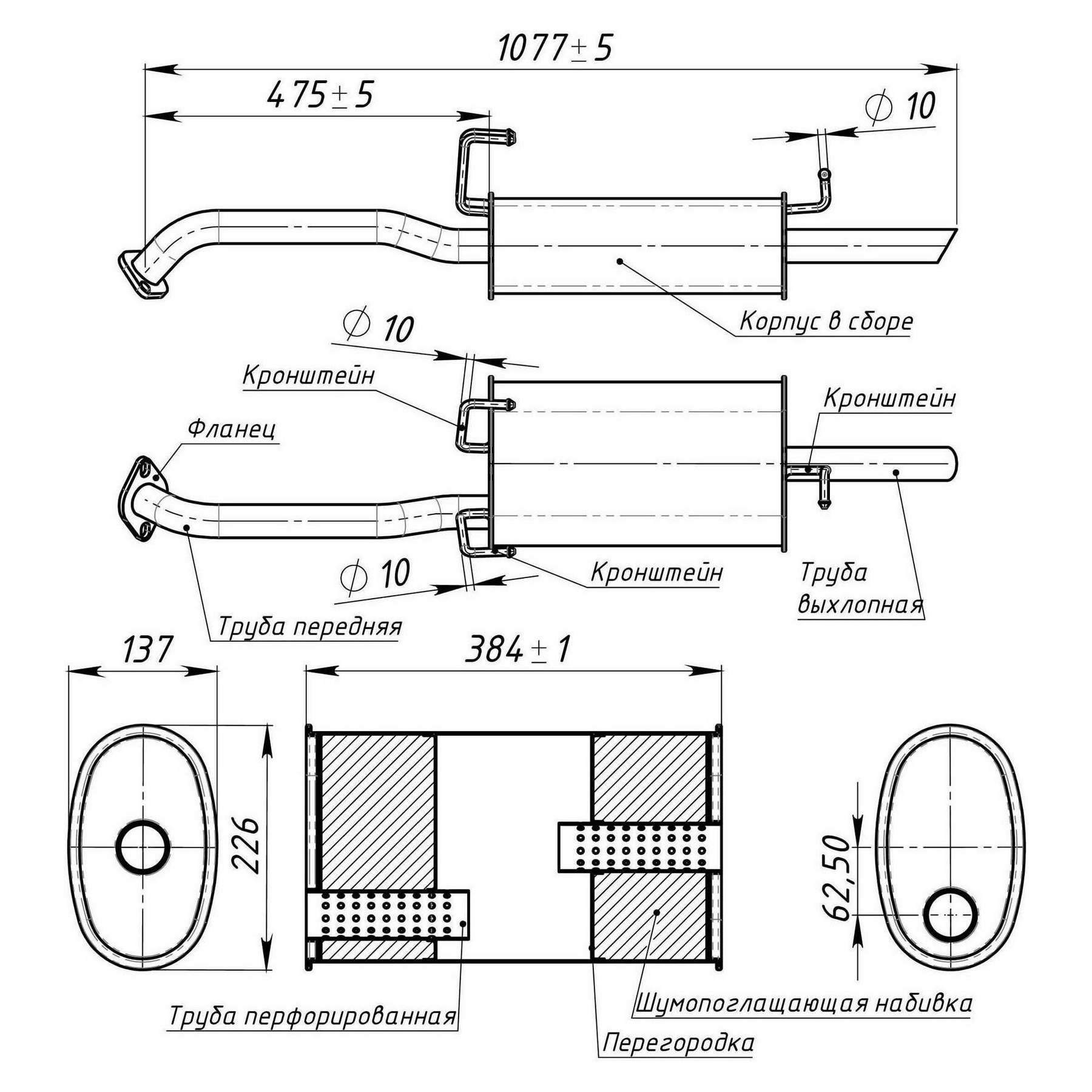
| Количество на автомобиль: | 1 |
| Камеры корпуса: | 3 |
| Материал: | Алюминизированная сталь |
| Гарантийный срок: | 2 года / 60 000 км |
| Особенности конструкции: | Шумопоглощающая набивка E-GLASS |
ОЕМ-номер
2870025000
2870025100
2870025810
287001B600
28700-25130
28700-1B000
Основные характеристики
Количество на автомобиль
1
Камеры корпуса
3
Материал
Алюминизированная сталь
Гарантийный срок
2 года / 60 000 км
Особенности конструкции
Шумопоглощающая набивка E-GLASS
Длина изделия, мм
1077
Длина корпуса камеры, мм
384
Форма изделия
Овал
Диаметр перфор. трубы, мм
45
Диаметр корпуса D-1, мм
226
Диаметр корпуса D-2, мм
137
Товарная линейка
BLACK
Дополнительная информация
Этикетка изделия может отличаться от представленной на фото
Комплектация
Глушитель основной
1 шт
| Марка | Модель | Модификация | Код двигателя | Мощность, лс | Объём двигателя | Год выпуска |
|---|---|---|---|---|---|---|
| HYUNDAI | ACCENT I (X-3) | PONY | EXCEL | 1.5 i 12V | G4EK | 88 | 1495 | 1994 - 2000 |
| HYUNDAI | ACCENT I (X-3) | PONY | EXCEL | 1.3 i 12V | G4EH | 84 | 1341 | 1994 - 2000 |
| HYUNDAI | ACCENT II (LC) | EXCEL | 1.5 CRDi | D3EA | 82 | 1493 | 2002 - 2005 |
| HYUNDAI | ACCENT II (LC) | EXCEL | 1.5 | G4EB / G4EC-G / G4EK | 90,102,92 | 1495 | 2000 - 2005 |
| HYUNDAI | ACCENT II (LC) | EXCEL | 1.3 | G4EA | 86,75 | 1341 | 2000 - 2005 |
| HYUNDAI | ACCENT II (LC) | EXCEL | 1.6 | G4ED-G | 105 | 1599 | 2002 - 2005 |
| HYUNDAI | ACCENT II Saloon (LC) | 1.5 CRDi | D3EA | 82 | 1493 | 2002 - 2005 |
| HYUNDAI | ACCENT II Saloon (LC) | 1.5 | G4EB / G4FK | 90,102,99 | 1495 | 1999 - 2005 |
| HYUNDAI | ACCENT II Saloon (LC) | 1.3 | G4EA | 86,75 | 1341 | 2000 - 2005 |
| HYUNDAI | ACCENT II Saloon (LC) | 1.6 | G4ED-G | 105 | 1599 | 2002 - 2005 |
| HYUNDAI | ACCENT Saloon (X-3) | VERNA | PONY | EXCEL | 1.5 i 12V | G4EK | 88 | 1495 | 1994 - 2000 |
Сертификаты
1764
Характеристики
| Количество на автомобиль: | 1 |
| Камеры корпуса: | 3 |
| Материал: | Алюминизированная сталь |
| Гарантийный срок: | 2 года / 60 000 км |
| Особенности конструкции: | Шумопоглощающая набивка E-GLASS |
| Длина изделия, мм: | 1077 |
| Длина корпуса камеры, мм: | 384 |
| Форма изделия: | Овал |
| Диаметр перфор. трубы, мм: | 45 |
| Диаметр корпуса D-1, мм: | 226 |
| Диаметр корпуса D-2, мм: | 137 |
| Товарная линейка: | BLACK |
| Дополнительная информация: | Этикетка изделия может отличаться от представленной на фото |
Комплектация
Глушитель основной
1 шт
ОЕМ номера
2870025000
2870025100
2870025810
287001B600
28700-25130
28700-1B000
Применяемость
Информация по применяемости изделий к конкретной модели автомобиля является справочной
| Марка | Модель | Двигатель | Мощность, лс | Объём двигателя | Год |
|---|---|---|---|---|---|
| HYUNDAI | ACCENT I (X-3) | PONY | EXCEL | G4EK | 88 | 1495 | 1994 - 2000 |
| HYUNDAI | ACCENT I (X-3) | PONY | EXCEL | G4EH | 84 | 1341 | 1994 - 2000 |
| HYUNDAI | ACCENT II (LC) | EXCEL | D3EA | 82 | 1493 | 2002 - 2005 |
| HYUNDAI | ACCENT II (LC) | EXCEL | G4EB / G4EC-G / G4EK | 90,102,92 | 1495 | 2000 - 2005 |
| HYUNDAI | ACCENT II (LC) | EXCEL | G4EA | 86,75 | 1341 | 2000 - 2005 |
| HYUNDAI | ACCENT II (LC) | EXCEL | G4ED-G | 105 | 1599 | 2002 - 2005 |
| HYUNDAI | ACCENT II Saloon (LC) | D3EA | 82 | 1493 | 2002 - 2005 |
| HYUNDAI | ACCENT II Saloon (LC) | G4EB / G4FK | 90,102,99 | 1495 | 1999 - 2005 |
| HYUNDAI | ACCENT II Saloon (LC) | G4EA | 86,75 | 1341 | 2000 - 2005 |
| HYUNDAI | ACCENT II Saloon (LC) | G4ED-G | 105 | 1599 | 2002 - 2005 |
| HYUNDAI | ACCENT Saloon (X-3) | VERNA | PONY | EXCEL | G4EK | 88 | 1495 | 1994 - 2000 |
×
